Hydraulic motors are wonderful hydraulic components. They can change fluid power into mechanical rotational power where direct driving cannot take place.
Yes, gear, gerotor, geroler and some vane hydraulic motors can be used as a pump. Bent axis or swashplate piston motors cannot. However, the designer needs consider the following:
- Cavitation
- Efficiency
- Internal Motor Leakage
- Accurate control of the motor

First of all, you bought a hydraulic motor so it should be used as a motor. Pumps and motors are designed differently so they are not completely interchangable. In fact, only gear pumps can be used as hydraulic motors. Piston and vane pumps will not work as a hydraulic motor at all. Motors are motors and pumps are pumps. If we compared this to an automobile, we would never design the starter to start the car and then remain engaged to act as an alternator.
So there are really two instances where you would want to use a hydraulic motor as a pump. The first is when you have a motor turning larger flywheel and then shut off the flow to the motor. The flywheel has an incredible amount of inertia and blocking flow to and from the motor would cause a pressure spike of infinite proportions and destroy your components. This is the same as flyback voltage in electronics where a circuit with an inductive component (motor or solenoid) is shut off. The energy stored creates very high voltages that can fry sensitive electronic components if not properly dealt with.
Another example of this is a hydrostatic drive system, like a lawnmower. Once the pump stops supplying flow, you will want the tractor to slow down to a stop, but not jerk to a stop. We want to turn the motor into pump so that we can gently brake the system to a stop.
To minimize the possibility of high pressure you will want to place a valve in the system to limit the pressure that can be produced. This pressure can be stored in an accumulator or other device (perhaps extending a cylinder under constant load) but most likely it will be converted to heat through a relief valve.
The second instance is more rare. It is when a hydraulic motor is used to perform one action and then another process takes over and changes the position of the motor. I recently designed a system where a cart was driven via a roller chain by three different processes. In the first process, cylinders would move the cart. The second process engaged a precision electric servo motor to position the cart for machining operations. Finally, a hydraulic motor was used to reset the cart to the original position so the entire process could be repeated. The hydraulic motor was constantly engaged the entire time even though it was only used for a small percentage of the time (<10%). As a result, the motor was being used as a pump for 90% of the time.
Cavitation
Cavitation generally occurs when a pump is suctioning oil from the reservoir, but the oil cannot come fast enough. As a result, the pump will try to vacuum the oil through the pump. Oil does not work this way and the pump instead will create large pockets of heat which locally boil the oil creating pockets of gas. As this moves through the pump, the increased pressure of the oil causes the oil gas to change state again back to a liquid by implosion. This process happens quickly and violently and usually damages the pump very quickly.
Cavitation is caused by:
- Insufficient oil in reservoir
- Clogged suction line filter
- Clogged suction strainer
- Clogged or non-existent breather
- Too long of a suction line
- Too small diameter of a suction line
- Reservoir installed below the pump. (Pump is not naturally receiving oil)
Proper maintenance of the system will remedy most of the causes for cavitation. The preventative maintenance schedule should check for clogged filters and breathers and reservoir oil level.
The remaining items need to be addressed in the design phase. As hydraulic designers we need to consider the ‘head’ pressure at the pump inlet and we desire for it to be a positive number. Generally speaking, this is the vertical distance between the suction port of the pump and the oil level in the hydraulic tank. You want the hydraulic oil level to be higher than the pump.
You also must subtract the pressure it takes to move the oil through the suction line to the pump. A basic understanding of fluid mechanics tells us that shorter runs and larger diameter hoses will minimize this factor. Use our hose calculator to determine the hose size for the length you need to run. A well designed hose will have no more than 5 ft/s (1.5 m/s) fluid velocity and less than 1 psi (6.9 kPa) pressure drop. (After all a perfect vacuum is 14.7 psi (101.3 kPa)).
Even if you are only temporarily running your pump as a motor, you will need to address cavitation. Chances are that you chose a motor because you could not get a direct drive in the space necessary. It is likely that your hose run is relatively long and you will need larger hoses than desired to ward off cavitation.
Motor Efficiency
Because a motor is not designed as a pump, it will be very inefficient. Roughly 10% to 20% less than the manufacturer’s rated efficiency and that will vary greatly based on your specific pressure and flow. As a result, your oil will be creating more heat that needs to be rejected from the system. If you need to run your motor for an extended period of time as a pump, a high pressure heat exchanger may be a requirement. An alternate fluid path that draws fresh oil from the reservoir may also work.
Internal Motor Leakage
All hydraulic motors have internal leakage. This is any oil that passes from the high pressure section to the low pressure without producing motion. In addition to that, there are some cavities in the motor that can hold oil (for lubrication etc) that need to be maintained at low pressures. If high pressure oil gets into these cavities, the life of the motor can be shortened greatly.
If you intend to create large pressures with your motor being used as a pump, you will need to consult the manufacturers specifications on whether or not a case drain is needed at specific pressures and flows. Case drains prevent damage from internal leakage to the low pressure cavities The most common form of damage is a leaking shaft seal which will change your internal leakage to external leakage. This means there will be oil to clean up.
Motor Control
If accurate motor control is needed when in motor mode, you may have restrictions in the work lines to control the flow. These flow controls could be as simple as an orifice fitting or as complex as flow control valves in and out of the motor with flow controls and pressure compensators. However, a proportional control valve will accomplish flow control nicely by metering in and metering out the flow from the motor.
While the proportional control valve is the best for controlling the motor, it poses a problem when we switch to pump mode. You see, as we meter out the flow from the motor, the valve spool creates another restriction between the return work port and the tank. As the valve spool nears the center position, it will be closing this path off more and more. As a result, the center position of the valve can only be blocked or have a very small opening (orifice) called a motor spool.
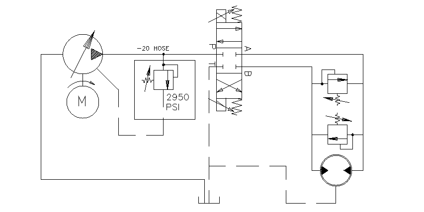
If your schematic looks like the figure below, you will want to redesign. Any inertia on the motor when the valve is in the center position will create very large pressure spikes. The remainder of this article will unpack how to deal with this situation.

It is not possible to have a good valve for metering flow but yet an open center for use when it is a pump. It should be evident that something will have to give if we want to control the motor accurately and still allow for use as a pump.
There are two main ways to do this. If free flow of the motor is desired as in the case of the motor being driven by another apparatus, you can add a flow path between the work ports. This is usually done with a two position two way valve that is solenoid operated. When the motor is in motor mode, the valve is closed. When the motor needs to free flow to slow down, the valve will open. Your control system will need to handle the transition and may need to open before the directional control valve has closed.

Putting the two position, two way valve closer to the motor will minimize the hose size needed to prevent cavitation.
If you want to control the slow down, you can change the two position two way valve to be a proportional valve. This is called hydraulic braking. This way, the valve can be opened any amount depending on the pressure. With this setup, you can accurately control the speed of the motor at any given point.
Another way to do hydraulic braking is by adding cross port relief valves between the work ports so that the flow from A relieves to B and vice versa. This option is attractive because it costs less than the proportional valve and there is no control system involved. One downside is that the relief valves will eventually snap shut and the motor will come to an abrupt stop. The higher the pressure setting, the more abrupt the stop.

Conversely, the smoother the stop, the longer it takes to stop. Once again as engineers we are battling incompatible things.
